Splitting a 4-20 mA Signal into Two Different Rescaled Outputs
Method #1: For individual rescaling of the two outputs use two (2) ARMs


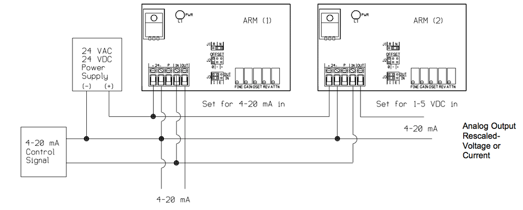
The 1st ARM interface converts the 4-20 mA signal into a voltage (1-5 VDC) from the input impedance of the 250 ohm resistor. Therefore the 2nd ARM interface should be setup for a voltage input signal. If isolation is a concern in your application, please consider the AIM1 Analog Isolation Module with a similar wiring setup.
Method #2: If the two rescaled outputs can be the same use one (1) ARM2




