Scroll to view all
Get your Special Pricing!
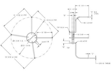
Documents: 24L56
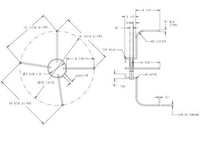
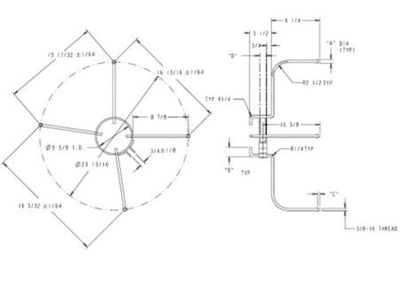
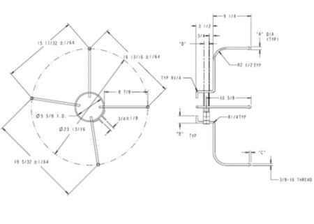
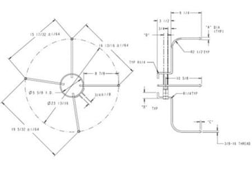
24L56 | Lennox 24L5601, 4-Leg Motor Mount, 48 Frame, 23-13/16" Bolt Circle | Lennox
The photo is for representation purposes only and may not be a photo of product being purchased.
Search products similar to 24L56
Overview Details for 24L56
MOTOR MOUNTING BRACKET
The Lennox 24L56 is a crucial component designed to securely mount motors in various industrial and commercial applications.
Made from durable materials, this mounting bracket provides a stable and reliable foundation for motors, ensuring optimal performance and longevity. Its precision-engineered design ensures proper alignment and minimizes vibration, reducing wear and tear.
The bracket's versatility allows it to accommodate various motor sizes and configurations, making it suitable for a wide range of equipment. Its corrosion-resistant finish ensures durability in harsh operating environments.
Easy to install and maintain, the Lennox 24L56 Mounting Bracket simplifies motor installation and maintenance tasks. It is an essential accessory for maintaining efficient and reliable motor operation.
Shop our HVAC supply store today for the best prices and fast shipping on all your industrial and commercial HVAC needs!
Specifications
| Item Number | 24L56 |
| Brand | Lennox |
| Brand | Lennox |

